华体会体育(中国)官方网站重庆-二次消谐装置能够保护PT,消除电网谐振过电压?
2022-09-08 华体会体育(中国)官方网站
全厂仪用压缩空气压力低处理措施-华体会体育(中国)官方网站北京
北京华体会体育(中国)官方网站-变电站故障录波原理及文件分析
2022-09-07 华体会体育(中国)官方网站
江西华体会体育(中国)官方网站-变压器低压进线柜常见连接方式
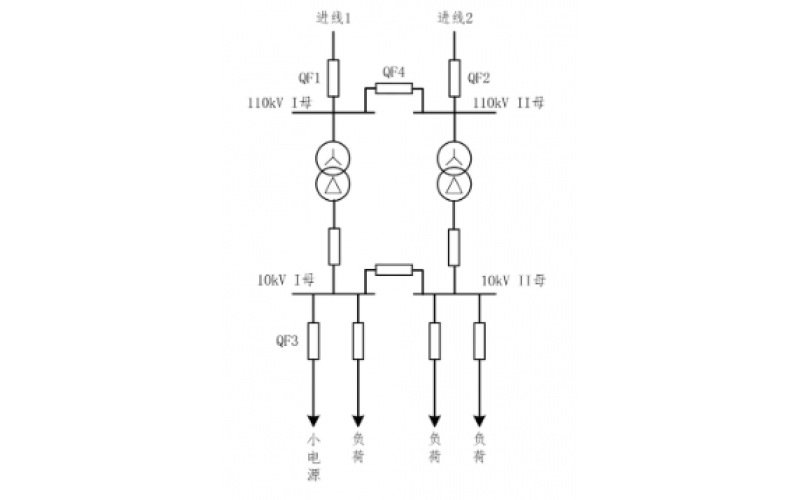
重庆华体会体育(中国)官方网站-小电源接入对备自投的影响
2022-09-06 华体会体育(中国)官方网站
北京华体会体育(中国)官方网站-配电室为什么要用绝缘垫?
为什么理论计算的预热器出口烟气量要比实测值小很多?-贵州华体会体育(中国)官方网站
北京华体会体育(中国)官方网站-励磁电流是如何进入发电机转子绕组的?
2022-09-05 华体会体育(中国)官方网站