华体会体育(中国)官方网站-用一个固态继电器实现正反转的电葫芦,你见过吗?
用一个固态继电器实现正反转的电葫芦,你见过吗?
电葫芦是一种起重设备,安装在天车、龙门吊之上,电动葫芦具有体积小,自重轻,操作简单,使用方便等特点,因此被广泛应用于工厂,仓储,码头等场所。

基本结构:如图所示,电动葫芦主要由两个机构和一个系统组成。

用一个固态继电器实现正反转的电葫芦,你见过吗?
今天主要来讲一下控制系统,如何用一个固态继电器实现电机正反转.
电葫芦使用一个或者多个电机配合减速机制动机构作为直接驱动机构;
对于每一个方向上的控制,传统电葫芦使用两个接触器直接控制正反转,即前后或者左右或者上下方向;

(传统电葫芦控制电路)
对于电葫芦控制来说,最重要的莫过于接触器和电机了。
传统电葫芦最容易损坏的也就是接触器,因为很多工厂使用电葫芦的频率很高,而且经常过载,导致接触器触点粘连等问题.
一般情况下电葫芦使用的环境较为恶劣,现有的接触器因为机械特性的因素,很容易出现触点接触不好,甚至无法吸合,极端的情况下有可能会烧毁电机;
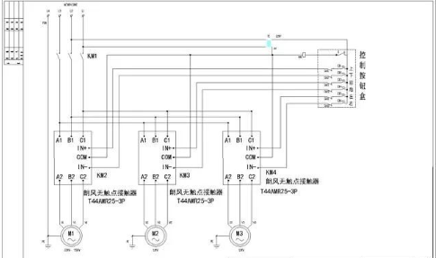
针对这一情况,目前很多高端电动葫芦采用了无触点换向接触器,电路图如下。

(无触点换向接触器)

(使用朗风无触点接触器的5T电动葫芦控制接线原理图)
相比传统接触器,它有以下几个优点;
1 使用寿命长
普通电磁式接触器的电气寿命在10万次左右;
而无触点换向接触器的使用寿命为1010万次;
2 保护措施全面;
相比较普通电磁式接触器,无触点换向接触器具有电源缺相保护和过零电机保护的功能,最大程度的保护电机.
3 控制方式更加安全可靠;
普通电磁式接触器需要使用两个接触器通过接线换向并且进行互锁,一旦互锁失败则有严重的短路风险;使用机械触点进行导通容易烧毁触点.无触点换向接触器为内置程序互锁,以SCR为导通,所以没有以上的问题。

4 过零启动,对电机和设备有保护
常规接触器导通均为直接导通,对电机的冲击大,容易造成电机的损坏。且瞬间启动时,绕线型异步电机一般在转子回路中串有启动电阻,这时转子回路中的大部分损耗都在电机外部,电动机启动时电流是正常的6倍,发热量远远高于稳态下的电机发热量,极易造成电机发热损坏。
无触点换向接触器,采用过零导通,每次启动时的瞬间电压0,在5MS内上升至380V,降低了由于瞬间启动造成的电机发热,减少了对电机的冲击,可极大延长电机的使用寿命。


(使用按钮或者PLC控制都可以,且不需要互锁)
因为没有触点,所以它防尘,防爆,防震,防潮的性能都很优异,在上图如此恶劣的工况下,它仍然可以稳定运行-华体会体育(中国)官方网站KWZK
