行业知识

SIS系统切断阀常见结构及故障模式

2025-04-30 09:05:51 华体会体育(中国)官方网站

SIS系统切断阀常见结构及故障模式

切断阀是 SIS 系统的最终执行机构,是关系安全保护的非常重要的执行机构。在实际使用中,切断阀是安全仪表环节中最容易失效环节,切断阀气动元件的不同,安全使命不同。

图片关键词

切断阀的功能不仅仅是切断,也有正常生产中是关闭的,联锁时打开泄压。

切断阀的几种结构:

(1)FC:气源丢失,阀门处于关闭位置。

(2)F0:气源丢失,阀门处于打开位置。

(3)E:气源丢失,阀门处于最后时刻位置并一直保持。

(4)FLC:气源丢失,阀门保位但趋于关闭,阀门最终处于关闭位置(气缸中气体消耗完)。

(5)FL0:气源丢失,阀门保位但趋于打开,阀门最终处于打开位置(气缸中气体消耗完)。

这是联锁设计中非常重要的控制点,也是关乎安全生产的非常关键的部分。判断一个阀门的故障状态,首先要了解阀门的组成部分。切断阀由阀体和气缸两大部分组成,就像家用的水阀一样,阀体是和水管连接部分,气缸就相当于水阀手柄。很多切断阀的阀体和气缸都并非一个企业生产的,比如国际上知名的阀门厂,很多都以生产阀门而著名,气缸则是外配。切断阀的故障模式,完全取决于气缸部分,气缸的结构比较复杂,而气缸上电磁阀、气控阀、气动加速器、锁止阀的搭配则更为复杂。

1、单缸单作用

单缸单作用是切断阀中最简单的结构,也是最容易判断故障模式的一种阀门。单缸单作用切断阀的缸体部分:一端是气缸一端是弹簧,正常情况下,电磁阀带电,动力风进入气缸,推动气缸移动压缩弹,从而带动阀门打开或者关闭:当电磁阀失电(联锁启动)后,气缸中的动力风迅速排出,弹簧推动气缸移动,带动阀门关闭或者打开。

图片关键词

2、双缸双作用

两侧都是气缸,一端进风时,另一端排风,推动气缸移动,从而带动阀门打开或者关闭。双缸双作用结构的阀门,在动力风中断或者电磁阀失电状态是停止不动的,不关闭也不打开,保持原位不动(注:不考虑电磁阀和气动阀结构)。在实际使用中,阀门的故障模式,完全决定于其附件(电磁阀、气控阀等)的组合。

图片关键词

3、双缸单作用

双缸单作用是集合单缸单作用及双缸双作用的优点,两端都是气缸,其中-个气缸中带有弹簧,当动力风中断时在弹簧作用下,阀门关闭或者打开;在联锁启动时,在动力风和弹簧双重作用下,快速关闭阀门。

图片关键词

这种结构的阀门最大的弊端是,不好判断弹簧作用力的可靠性,当联锁需要紧急启动,而动力风又中断的紧急状态下,弹簧如果乏力,那阀门会无法关闭或者打开。而弹簧是否可靠,在正常联锁测试中不好判断。

常见切断阀的结构就这三种模式,但是,通过这三种气缸结构就了解阀门的故障状态还远远不够。气缸的动作模式完全由外部气动元件来控制,而气控元件的组合根据联锁的需要千变万化。

举几个简单的例子:

1、单杠单作用在动力风中断时一定会关闭或者打开吗?

大部分联锁阀门在动力风中断时要求关闭或者打开,但是联锁的设计一定是可用性和可靠性的综合考虑。在考虑安全性的同时一定会考虑可用性,且有时候的动力风中断并非全部中断,而是局部动力风管线的受损。关闭某个切断阀会造成较大的经济损失或者给生产带来次生安全风险。这种情况下,一般阀门上会带有锁止阀,其作用就是当动力风压力降到一定的设定值时,切断动力风,气缸中的压力始终推动弹簧使得阀门保持原有状态。加上锁止阀就变为FL。用到这种阀的工况:比如大型的气体净化项目,当下游生产装置发生故障时,需要紧急切断上游供料阀门,下游装置全部停工,可能会造成几千万的经济损失。但是动力风暂时故障,能在短时间恢复,倒不如设置成FLC。

图片关键词

也就是说这样的结构,在动力风中断时,阀门是保持的。

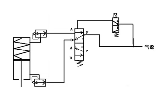
2、双缸双作用阀门在动力风中断时一定保持不动吗?

也不一定,需要看气动阀结构。从气路图可以看出,阀门虽然是双缸双作用,但是通过气动元件的组合,阀门变为FC。

一个切断阀的失效概率并非完全取决于切断阀本身。从各种渠道查到的失效数据只是阀门本身的,并不包含气控阀、电磁阀、锁止阀、气动加速器等等。就其阀门本身来说,一般都是比较可靠的,但是这些阀门附件的失效概率较高,也就是说我们用于现场紧急切断的阀门,其失效概率大部分是由气动元件导致的,而我们查到的失效概率只是阀门的,生搬硬套用这个数据去做SIL验算是不符合实际的。把所有的气动元件失效概率一起算不就可以了吗?当然可以,但是气路组合千变万化,这个计算过程超复杂。

图片关键词

另外,切断阀的使用介质对切断阀是非常关键的,同一台阀门用于不同的工况,如一台用于干净的汽油,一台用于恶略工况(如煤化工、S-Zorb、聚丙烯粉料、粘稠性较大的浆料)等环境下,其失效概率差别会非常大,用于汽油的可能用 30年没问题,用于恶略工况能用三个月就不错了。

图片关键词

就阀门的可靠性来说,在考虑阀门是失效概率时,一定要考虑阀门的使用工况。

在整个联锁回路中,SIS系统相对故障率最低,测量部分次之,执行部分故障率最高。


TAG: 切断阀
首页
产品
新闻
联系