备自投装置 你为什么闭锁了
2023-09-14 华体会体育(中国)官方网站
变电站备自投原理知识分享
2022-10-17 华体会体育(中国)官方网站
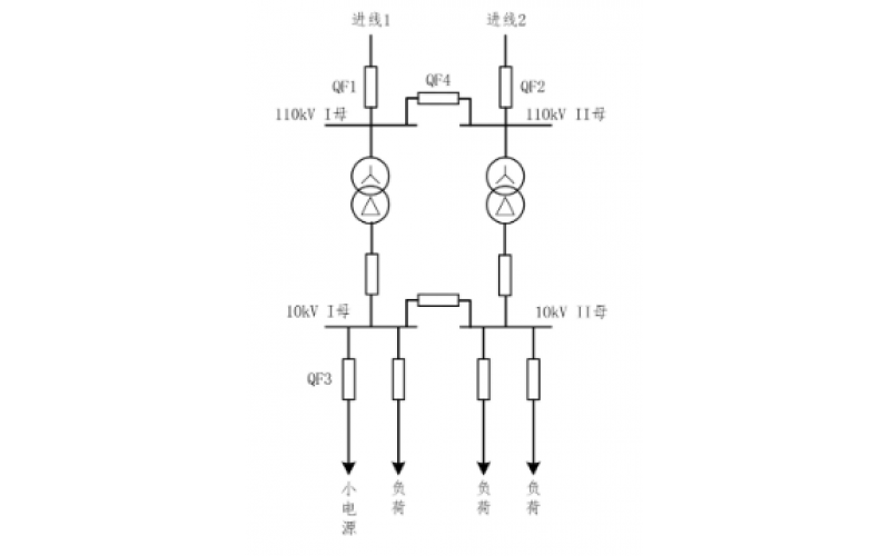
重庆华体会体育(中国)官方网站-小电源接入对备自投的影响
2022-09-06 华体会体育(中国)官方网站