汽机机组振动原因和预防知识分享
2023-10-17 华体会体育(中国)官方网站
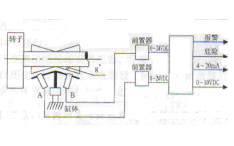
汽轮机胀差、轴位如何定零位?
2023-05-22 华体会体育(中国)官方网站
汽轮机胀差和轴向位移知识分享-广东华体会体育(中国)官方网站
2022-09-05 华体会体育(中国)官方网站