新闻动态

  • 凝汽器灌水查漏操作要点有哪些?

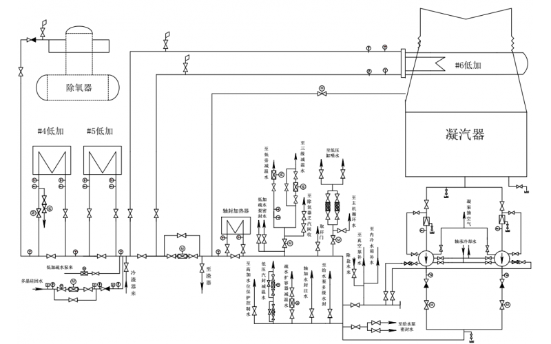
    凝汽器灌水查漏操作要点有哪些? 1.机组停运,高压缸调节级温度低于100℃。 2.凝汽器底部加装临时支撑和临时水位计,水位计上口不允许封口。 3.开启机组各段抽汽疏水门。 4.关闭主再热蒸汽冷段热段、高旁前后,导汽管、调节级、汽缸夹层疏水电动门,和低旁减温水电动门。 5.关闭A、B凝结水泵进口手动门,抽空气手动门,关闭凝结水再循环调整门。 6.关闭A、B真空泵入口手动门,气动门。

    2024-08-16 华体会体育(中国)官方网站

  • 凝结水泵切换操作票

    1.接值长令:A凝结水泵切换至B凝结水泵; 2.检查B凝结水泵具备启动条件,密封水、轴承冷却水进出水门全开,凝结水泵抽空气门开启3圈; 3 查询B凝结水泵上一周期运行情况:运行电流 电机轴承温度 4.关闭B凝结水泵出口电动门,退出B凝结水泵联锁;

    2024-08-16 华体会体育(中国)官方网站

  • 电厂励磁变炸裂的事故案例分析

    事前工况 3月9日,#7发电机有功266MW,无功80Mvar,电气系统标准方式运行,定子电压20.3kV,定子电流7990A,励磁电压188v,励磁电流2693A,励磁变温度A相38℃、B相39℃、C相29℃,励磁变电流A相95A、B相94A、C相94A。双侧风烟系统运行,A、B、C、D磨煤机运行,B给水泵运行,A凝结水泵工频备用、B凝结水泵变频运行,机组AGC投入。

    2024-05-30 华体会体育(中国)官方网站

  • 一起因DCS系统电源失电导致的非停事件

    一起因DCS系统电源失电导致的非停事件

    2024-02-29 华体会体育(中国)官方网站

  • 凝结水泵机封损坏导致机组MFT,事故处理不果断?

    凝结水泵机封损坏导致机组MFT,事故处理不果断?

    2023-10-24 华体会体育(中国)官方网站

  • 凝汽器,你是谁?和汽轮机有什么关系?

    凝汽器,你是谁?和汽轮机有什么关系?

    2023-09-20 华体会体育(中国)官方网站

  • 凝泵原理及其汽蚀

    凝泵原理及其汽蚀

    2023-09-19 华体会体育(中国)官方网站

  • 风机切油泵导致给水流量低MFT,事故经过学习一下

    风机切油泵导致给水流量低MFT,事故经过学习一下

    2023-06-06 华体会体育(中国)官方网站

上一页12下一页 转至第
首页
产品
新闻
联系